說明:DC 分流器實際上是一種低阻電阻,通常在需要測量大電流時使用。當電流流過分流器時,它的兩端會出現毫伏級電壓,所以用毫伏電壓表測量這個電壓,然后把這個電壓轉換成電流,就完成了大電流的測量。 要測量非常大的直流電流,比如幾十安培,甚至更大,幾百安培,沒有這么大量程的電流表測量電流,我該怎么辦?這需要使用分流器。它是一種短導體,可由各種金屬或合金制成,也可與端子相連;其直流電阻經過嚴格調整;當它串聯在直流電路中時,直流電流流過分流器,分流器兩端產生毫伏電壓。直流電壓信號使分流器兩端連接的儀表指針擺動,讀數即為直流電路中的電流值。所謂分流器就是分出一個小電流來驅動儀表指示。小電流(mA)與大回路電流(1A-數十A)的比值越小,電流表的線性度越好,讀數越準確。這是電路常用的產品,有避雷的分流措施。
分流器電阻產品中心
產品介紹圖片聯系我們
說明:DC 分流器實際上是一種低阻電阻,通常在需要測量大電流時使用。當電流流過分流器時,它的兩端會出現毫伏級電壓,所以用毫伏電壓表測量這個電壓,然后把這個電壓轉換成電流,就完成了大電流的測量。 要測量非常大的直流電流,比如幾十安培,甚至更大,幾百安培,沒有這么大量程的電流表測量電流,我該怎么辦?這需要使用分流器。它是一種短導體,可由各種金屬或合金制成,也可與端子相連;其直流電阻經過嚴格調整;當它串聯在直流電路中時,直流電流流過分流器,分流器兩端產生毫伏電壓。直流電壓信號使分流器兩端連接的儀表指針擺動,讀數即為直流電路中的電流值。所謂分流器就是分出一個小電流來驅動儀表指示。小電流(mA)與大回路電流(1A-數十A)的比值越小,電流表的線性度越好,讀數越準確。這是電路常用的產品,有避雷的分流措施。
您可能還喜歡這些產品
- 如何正確選擇分流電阻器?從交流到直流的全面對比指南
分流電阻器的核心參數解析在現代電子系統中,分流電阻器是實現電流傳感的關鍵器件。其性能直接影響測量系統的準確性與可靠性。以下是關鍵參數說
- 分流器電阻與分流電阻器的原理及交流直流應用差異解析
分流器電阻與分流電阻器的基本概念分流器電阻(Shunt Resistor)是一種用于測量電流的精密電阻元件,其核心作用是將大電流按比例分流,從而在低電壓
- 分流器電阻的作用及選擇方法
在電子電路設計中,分流器電阻是一種常見的元件,主要用于測量電流。它通過將一小部分電流從主電路引導到另一個路徑來實現這一功能,從而使得我
-
電容器對交流和直流的作用電容的“通交流、阻直流”“通交阻直”是電容重要的特性之一,即電容可以交流電導通,但直流電阻斷。這是為什么呢?從理論上來講,電荷是根本不
-
并聯電阻具有分流作用組織越大的電阻分得電流越大電阻器是電路中已知最早的元件,也是最簡單的元件。除了具有特定阻值的電阻器(如色環電阻器、貼片電阻器等)外,我們日常生活中常用的電爐、電
-
直流電流擴大量程采用并聯分流電阻的方法直流電流表擴大量程: 擴大電流表量程的目的是用小量程電流表測量較大電流,而通過電流表表頭的電流仍然不能越過原來量程,因此必須能表頭
- 分流器電阻與分流電阻器的原理及交流直流應用差異解析
分流器電阻與分流電阻器的基本概念分流器電阻(Shunt Resistor)是一種用于測量電流的精密電阻元件,其核心作用是將大電流按比例分流,從而在低電壓
分流電阻 1575 1mR 0.001R R001 7W 1% 錳銅分流器產品名稱 貼片合金電阻5930 (1575)功率 5w/7w精度 0.5% 1%2%5%阻值 0.2mQ-4mQ溫度系數 ±20ppm~50ppm產品結構 電子束焊產品要求 符合
- 固定式分流電阻分流器的選型指南與技術參數詳解
如何正確選擇固定式分流電阻?在實際工程應用中,正確選擇固定式分流電阻是確保電流測量準確性和系統安全的關鍵步驟。以下從多個維度提供詳細選
- 如何正確選擇分流電阻器?從交流到直流的全面對比指南
分流電阻器的核心參數解析在現代電子系統中,分流電阻器是實現電流傳感的關鍵器件。其性能直接影響測量系統的準確性與可靠性。以下是關鍵參數說
- 深入解析分流電阻的分類與應用:固定式分流電阻的核心優勢
分流電阻的基本概念與作用分流電阻,又稱分流器,是一種用于測量大電流的精密電子元件。其核心功能是將大部分電流通過自身,僅讓小部分電流流入
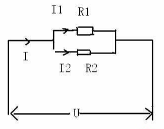
多個電阻并聯分流公式分流公式兩個電阻R1、R2串聯于電壓為V的電路中,則:電流I=V/(R1+R2)電阻1兩端的電壓:V1=IR1=VR1/(R1+R2)電阻2兩端的電壓:V1=IR2=VR2/(R1+R2)所以:V=V1+V2所以稱串電阻電路
并聯電阻具有分流作用組織越大的電阻分得電流越大電阻器是電路中已知最早的元件,也是最簡單的元件。除了具有特定阻值的電阻器(如色環電阻器、貼片電阻器等)外,我們日常生活中常用的電爐、電
直流電流擴大量程采用并聯分流電阻的方法直流電流表擴大量程: 擴大電流表量程的目的是用小量程電流表測量較大電流,而通過電流表表頭的電流仍然不能越過原來量程,因此必須能表頭
多個電阻分流分壓公式R1:R2=U1:U2分壓原理,指的是在串聯電路中,各電阻上的電流相等,各電阻兩端的電壓之和等于電路總電壓。 分壓原理的公式為R1:R2=U1:U2。
- 分流電阻與保險絲在交流直流電路中的應用差異解析
分流電阻與保險絲的基本概念分流電阻(Shunt Resistor)是一種用于測量電流的精密電阻,通過其兩端的電壓降來推算流經的電流值。而保險絲(Fuse)則是
電阻分直流和交流嗎相同的電阻分別連接到交流和直流,其電阻值不同。當交流連接時,由于集膚效應和鄰近效應,交流電阻通常大于直流電阻。
- 分流器電阻的作用及選擇方法
在電子電路設計中,分流器電阻是一種常見的元件,主要用于測量電流。它通過將一小部分電流從主電路引導到另一個路徑來實現這一功能,從而使得我
