電腦電源不通電怎么解決
您可能還喜歡這些產品
- 電腦電源不通電怎么解決
當您的電腦電源無法正常供電時,可以嘗試以下幾個步驟來排查和解決問題:1. 檢查電源線和插座:首先確保電源線連接正確,插座有電。您可以試著將
大毅科技怎么樣大毅科技成立于1989年,是全球第二大SMD厚膜片式電阻器供應商。大毅科技憑借強大的管理團隊,以最先進的設備和技術制造出高品質的零部件,并以最具
電容阻抗怎么求電容電抗公式:Xc=1/ωc(100+j200-j400)/(100+j200)*(-j400)=-32+24j這是復數的計算,可以通過反復變形來計算。實驗表明,容抗與電容和頻率成反比。如果
臺灣光頡科技怎么樣光頡公司檔案行業電子設備、儀器及組件板塊信息技術員工337股票類型ORD光頡科技股份有限公司是一家臺灣公司,主要從事開發、制造及銷售電阻及高頻
怎么判斷三極管好壞使用萬用表的二極管量程依次測量三極管的三極,應該有兩個相同的電壓降。如果連續性為0,則表示三極管已損壞。三極管一般有短路、
電容正負極怎么區分1、螺栓式電解電容器正負極標識。螺栓式鋁電解電容器在套管上有明顯的正負等級標記,正極為“+”,負極為“-”。大多數螺栓電容器在蓋板上的端子
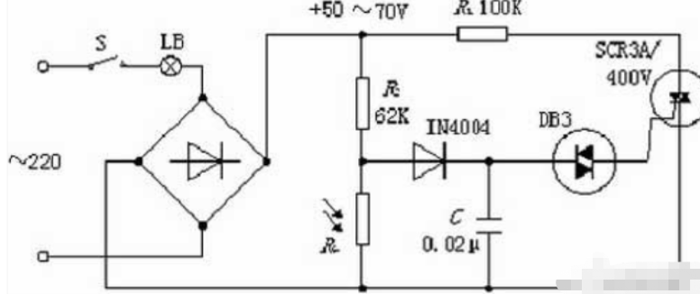
光敏電阻怎么做開關1、光敏電阻調光電路圖中是一種典型的光控調光電路,其工作原理是:當周圍光線變弱時引起光敏電阻RG的阻值增加,使加在電容C上的分壓上升,進而使
光敏電阻怎么接燈上Arduino:光敏電阻實現光感應燈光敏電阻器(photovaristor)又叫光感電阻,是利用半導體的光電效應制成的一種電阻值隨入射光的強弱而改變的電阻器;入
汽車音響電容怎么接如何安裝汽車音響電容(附詳細解釋圖)第1部分:電容器的用途電容器是用于電力或電壓的存儲裝置。電容器有各種形狀和尺寸,務必確保購買適合您電
光敏電阻參數怎么看光敏電阻基本特性有哪些?要如何挑選?詳細規格參數表了解一下光敏電阻是一種隨著外界光線強弱變化而變化的電阻,即入射光強,電阻減小,入射光
直流電容接反會怎么樣極性電容器的使用注意事項:1.僅直流供電有極性電容只能由直流供電,不能用于交流。極化電容器內部的特殊材料無法承受反向電壓。將極性電容器連
無感水泥電阻怎么檢測水泥電阻是將電阻絲線繞在無堿性耐熱瓷件上,外面加上耐熱、耐濕及耐腐蝕的材料里保護固定并把繞線電阻體放入方形瓷器框內,用特殊不燃性耐熱水
毫歐貼片電阻怎么表示一、毫歐電阻一般根據具體線路板的要求,分為插件電阻、貼片電阻。毫歐電阻,阻值低,精密度高,一般在阻值精密度在±1%以內,更高要求的用途時會
升壓電感怎么判別壞了升壓電感器是常見的電子元件之一,它在電路中的主要功能是將低電壓升高到高電壓。那么,你知道如何測量升壓電感的質量嗎?下面將教大家如何
溫度升高電阻怎么變化金屬溫度越高電阻越大,因為,金屬導電是其內部有自由運動的電子(無規則)。當溫度上升時,這些電子會加劇來回振動,以至于阻礙電流
電阻毫歐的符號怎么寫mΩ電阻單位是歐姆,用符號Ω表示,Ω(ω)是希臘字母中的第24個,也是最后一個。中文音譯:歐米伽、字面上的意思是“大 O”(o mega),以便與字母“
怎么區別無感水泥電阻無感即是無感值的意思,當然這里的無,是指電阻上的感抗值非常小了,可以忽略不計,一般不能說是徹底沒有。一些精密的儀器儀表設備,電子工業設
電阻單位毫歐怎么顯示電阻單位毫歐是一個中文表達方法。毫歐的物理符號是mΩ,數量級是10的負三次方。一般情況下,電阻值小于1Ω的低阻電阻應以mΩ表示。毫歐電阻通常如
怎么測量毫歐電阻才精準電阻的阻值怎么測試是否達標?常常有工程師喜歡用萬用表檢測電阻阻值,通常這種方法我們并不認可它是科學的測量方法。萬用表內部或表筆線路
接地電阻測試儀線怎么插?接地電阻測試儀專門用于測試接地裝置的電氣完整性。與絕緣子故障檢測器一樣,它是電氣測試中不可或缺的一部分,也是常規測試項目。主要測試
